aule
Members- 
                
Περιεχόμενα
11 - 
                
Εντάχθηκε
 - 
                
Τελευταία επίσκεψη
 
Profile Information
- 
											
												Επάγγελμα
												Μηχανικός
 - 
											
												Ειδικότητα
												Διπλ. Ναυπηγός Μηχανικός
 
Τελευταίοι επισκέπτες προφίλ
The recent visitors block is disabled and is not being shown to other users.
aule's Achievements
- 
	Η να είχα βάλει ασύμμετρο inverter. Όμως αν δεν στο πουν που να το ξέρεις
 - 
	Καλησπέρα σε όλους, ένα γρήγορο update , μετά από κάποιες παρατηρήσεις μετρήσεις που έκανα και μόνος και με τον εγκαταστάτη και που δυστυχώς μάλλον επαληθεύονται και από αναρτήσεις στο φορουμ της huawei. Και λέω δυστυχώς γιατί εάν τα ήξερα από πριν θα είχα βάλει κάποιον άλλον inverter. Οπότε τα γράφω εδώ για να βοηθήσω μελλοντικά κάποιους που μπορεί να ενδιαφερθούν για τοποθετηση Φ/Β συστήματος. Ξεκινάω λοιπόν με τις παρατηρήσεις : Θα σημειώνω <-όταν ''ταίζω το δίκτυο/ σπίτι από το σύστημά μου και -> όταν τραβάω από το δίκτυο. α) την νύκτα με άδεια μπαταρία ο μετρητής του δικτύου γράφει ->->-> πράγμα απολύτως λογικό β) την ημέρα με φορτία στο σπίτι ισχύος κάτω από 2κW και πλήρη ηλιοφάνεια και γεμισμένη μπαταρία γράφει <-<-<- γ) σε οποιαδήποτε άλλη περίπτωση ο μετρητής γράφει -><-<- ή σπανιότερα και σε μεγαλύτερα φορτία ->-><- Εξομοιώνοντας την νύκτα με άνοιγμα του διακόπτη / σβήσιμο DC στα φωτοβολταικά, αποσύνδεση της μπαταρίας από το κύκλωμα για εξομοίωση γεμάτης μπαταρίας με ηλιοφάνεια και παίζοντας με τα φορτία του σπιτιού ανά φάση και μετρώντας με αμπεροτσιμπίδα τα καλώδια των φάσεων μέσα στο κουτί "s" διαπίστωσα ότι: Ο inverter ισομοιράζει τα φορτία και στις 3 φάσεις με αποτέλεσμα αν για παράδειγμα εγώ θέλω 9Α στο σπίτι μου τότε σε κάθε ένα από τα τρία καλώδια των φάσεων του inverter θα έχω 3 Α. Όμως αν εμένα τα 9Α της κατανάλωσης είναι σε μια φάση τότε θα πάρω από την μπαταρία τα 3Α και τα άλλα έξι από το δίκτυο, δίνοντας παραλληλα τα 6Α των άλλων φάσεων στο δίκτυο. Αυτό καθιστά την μπαταρία άχρηστη αφού λειτουργεί μόνο στο 33% των καταναλώσεων. Το πρόβλημα υφίσταται και με ηλιοφάνεια αφού στην μέγιστη παραγωγή του Φ/Β των 4,20kW κάθε φάση παίρνει 1,4κW. Αρα φορτίο πάνω από 1,4 σε μία φάση θα πάρει το επιπλέον από το δίκτυο δίνοντας σε αυτό το πλεόνασμα των άλλων φάσεων. Οικονομικά δεν χάνω σε ρευμα αλλά σε ρυθμιζόμενες χρεώσεις του ρευματος που καταναλώνω από το δίκτυο και που στην ουσία είναι αχρείαστο να λαμβάνω. Συμπερασματικά, ο inverter αυτός θα δούλευε ιδανικά σε μονοφασική παροχή. Για 3Φ παροχή απαιτείται ο λεγόμενος ασύμμετρος inverter που στην ουσία δίνει σε κάθε φάση αυτό που ανά πάσα στιγμή χρειάζεται. Προς επίρρωσιν των ανωτέρω παραθέτω και το παρακάτω λινκ Από το forum της Huawei. https://forum.huawei.com/enterprise/eu/en/thread/grid-connected-with-zero-power-question/667284003385917441 Επίσης βάζω και 2 φωτό από την εφαρμογή σε μια στιγμή την νύκτα που το σπίτι μου καταναλώνει 160w (μερικές λάμπες led και το ψυγείο). Ενώ φαίνεται στην πρώτη φωτογραφία ότι ούτε δίνω ούτε παιρνω από το δίκτυο , αν δείτε στην δευτερη φωτό στην μία φάση γράφει -80w (από το δίκτυο) και στις άλλες δυο 40w και 40w (από την μπαταρία). Μου κάνει εντύπωση πως ένας κολοσσός σαν την huawei δεν το έλαβε υπ' όψιν αυτό και το απέκρυψε... Σε κάθε περίπτωση και μιας και δεν είμαι ηλεκτρολόγος είτε ακαδημαικά είτε τεχνικά οπότε δεν έχω βαθιά γνώση (απλά σαν μηχανικός το μόνο που μπορώ να κάνω είναι να παρατηρώ και να βάζω το μυαλό μου να σκέφτεται) θα ήθελα να ακούσω πιθανές προτάσεις / λύσεις από κάποιους σαν εσάς με πιο εξειδικευμένες γνώσεις. Επισης θα ήθελα εάν κάποιος έχει ασχοληθεί ή έχει ακούσει σχετικά με το dirty electricity και πιθανώς με τυχόν αρμονικές που μπορεί να παράγει ο inverter και ποια μπορεί να είναι η επιδρασή τους σε συσκευές του σπιτιού. Το ρωτάω γιατί κατα την διάρκεια των μετρήσεων έβλεπα στην αμπεροτσιμπίδα κάποιες συχότητες 80,85,100 κλπ. (εκτός και αν η τιμή της συχνότητας στην αμπεροτσιμπίδα δείχνει κάτι άλλο) Ευχαριστώ εκ των προτέρων για όποια πληροφορία/γνώμη / γνώση μου παρέχετε
 - 
	Αρα θεωρείς και εσύ όπως έγραψες και σε προηγούμενο σχόλιο πως υπάρχει πιθανότητα κάτι να έχει συνδεθεί λάθος?
 - 
	Εχω ένα κρυφό μειδίαμα που η κουβέντα έφτασε σε αυτό το κουτί διακλαδωσης , που και μετά από την βοήθεια που μου έχεις δώσει, η πεποίθησή μου λέει ότι εκεί μέσα έχει γίνει η λάθος σύνδεση των φάσεων.
 - 
	Καλησπέρα. Όπως έγραψα στο πρώτο post το ρολόι του ΔΕΔΔΗΕ συνδέθηκε στις 4 Δεκεμβρίου. Στις 13/1/25 εκδόθηκαν από τον πάροχο 2 λογαριασμοί. Ενας μέχρι 4/12 που αφορούσε το παλιο ρολόι και ένας από 4/12 έως 16/12 με το νέο ρολόι. Οι καταναλώσεις του παλιού ρολογιού συμβάδιζαν με τις καταναλώσεις που έδινε η εφαρμογή κατα 99.9%. Βέβαια μέχρι τις 4/12 δεν είχα παραγωγή ή κατανάλωση στο σπίτι από το ΦΒ καθώς απαγορευεται μέχρι την σύνδεση από ΔΕΔΔΗΕ. Έκανα με τον ηλεκτρολόγο της εγκατάστασής μου μία δοκιμή μέχρι το ρολόι του ΦΒ να γράψει παραγωγή 50-60 KWh (απ' ότι μου είχαν πει είναι το επιτρεπτό όριο παραγωγής πριν την σύνδεση από τον ΔΕΔΔΗΕ στο πλαίσιο δοκιμών του εγκαταστατη για να μην θεωρηθεί ρευματοκλοπή - δεν παίζουμε με αυτά παρόλο που χρειάστηκε να περιμένω 6 μήνες από την τοποθέτηση του ΦΒ. ). Τελοσπάντων, μην πλατιάζω και κατά την δοκιμαστική λειτουργία και κατα την κανονική με το παλιό ρολοι όλα συμβαδιζαν με την εφαρμογή. Τις καταναλώσεις που γράφονται στον δευτερο λογαριασμό (από 4/12 έως 16/12) δεν μπορώ να τις επιβεβαιώσω με τους μετρητές γιατί είχα εφυσηχάσει ότι όλα κυλούν ρολόι. Το μόνο που έβλεπα είναι η εφαρμογή , την μπαταρία μου τοπικά ότι δεν άδειασε πότε στο διάστημα αυτό και ότι είχε πολύ ηλιοφάνεια ώστε να μου καλύπτει τις καταναλώσεις το πρωί και το βράδυ η μπαταρία έφτανε στο 20-30% και το πρωί ξαναγέμιζε από 80-100%. Αρα η κατανάλωση 1,5kwh που είχε γράψει η εφαρμογή για το διάστημα από 4/12 έως 16/12 είναι πιο λογικό από το 68kWh που γράφει ο λογαριασμός (οι ενδείξεις πλέον είναι με τηλεμετρία και μου τους επιβεβαίωσε κα ο ΔΕΔΔΗΕ , το γράφω για να προλάβω την ερώτηση μήπως είναι πλασματικές) Μόλις πήρα τους λογαριασμόυς, άρχισα να ψάχνομαι. Για το διάστημα 4 Δεκ με 14 Ιαν με τις ίδιες συνθήκες με την παραπάνω παράγραφο και την μόνη διαφορά ότι η μπαταρία άδειασε μόνο 3 ημέρες (26 Δεκ - 12 και 13 Ιαν) τα στοιχεία ΕΦΑΡΜΟΓΗ PV yield (Συνολική παραγωγή του Φ/Β) 348,92 Kwh Inverter yield (Παραγωγή του Φ/Β που περνάει μέσα από τον inverter , εκτιμώ λόγω και του ρεύματος της μπαταρία των 10kWh) 358,03 Kwh Export (ρευμα έχω δώσει στο δίκτυο) 113,61kWh Import (ρευμα που έχω πάρει από το δίκτυο) 22,69 kWh ΜΕΤΡΗΤΗΣ ΦΒ Το 2.8.0 του ΦΒ γράφει 367.04 kWh ( που συμβαδίζει με αυτό της εφαρμογής PV Yield) ΜΕΤΡΗΤΗΣ ΔΕΔΔΗΕ Το 2.8.0 (ρευμα που έδωσα στο δίκτυο) γράφει 208,09 kWh Το 1.8.0 (κατανάλωση σπιτιού από δίκτυο) - 116,81 kWh Το 1.8.1 (ημερήσια) - 85,64kWh και Το 1.8.2 (νυχτερινή)- 31,16kWh Δηλαδή βλέπω ότι ο μετρητής του ΔΕΔΔΗΕ δείχνει ότι εγώ έχω δώσει στο δίκτυο 95kWh παραπάνω από αυτό που μετράει η εφαρμογή και ότι έχω καταναλώσει 94kWh παραπάνω από αυτό που μετράει η εφαρμογή Ειδικός δεν είμαι όπως έχω γράψει, όμως οι αριθμοί δείχνουν ότι υπάρχει ανταλλαγή με το δίκτυο σε ώρες και στιγμές που δεν θα έπρεπε να γίνεται. Εννοείται κάθε βοήθεια και ιδέα είναι υπερ - ευπρόσδεκτη
 - 
	Μακάρι να ήξερα να σου απαντήσω🤔. Θα έλυνα και το πρόβλημα...
 - 
	Βασικά το fusion solar είναι η επίσημη εφαρμογή της huawei η οποία συνεργάζεται με τον inverter και το smart meter. Ίσως δεν το διατύπωσα σωστά στο αρχικό μου post όμως δεν βασίστηκα στις μετρήσεις του fusion solar. Απλά θεωρώ πιο λογική κατανάλωση που δείχνει το fusion solar καθώς για το χρονικό διάστημα μεταξύ των μετρήσεων είχε τέτοια ηλιοφάνεια που το φωτοβολταϊκό μου κάλυπτε της ανάγκες του σπιτιού και κάθε μέρα η μπαταρία γέμιζε. Την ένδειξη γεμίσματος την έβλεπα τόσο μέσω του fusion solar όσο και απευθείας πάνω στην μπαταρία. Δηλαδή για 40 μέρες η μπαταρία δεν άδειασε ποτέ το βράδυ. Το πρωί ξαναγέμιζε μέχρι τις 12:00 με 1:00, άρα αυτό σημαίνει πως και οι ανάγκες του σπιτιού ειχαν υπερκαλυφθεί. Μία δεύτερη ένδειξη είναι ότι πριν τη σύνδεση του ρολογιου του δεδδηε σε δοκιμαστική περίοδο 4-5 μέρες χωρίς βέβαια να μπορώ εγώ να τροφοδοτήσω το δίκτυο από τα φωτοβολταϊκά και με παρόμοιες συνθήκες η κατανάλωση από το δίκτυο ήταν σχεδόν μηδενική.
 - 
	Ευχαριστώ πολύ για τις αναλυτικές πληροφορίες οδηγίες. Για την υπερδιαστασιολόγηση του ινβερτερ απλά να δικαιολογηθώ ότι τον έβαλα για τυχόν επαυξηση μελλοντική στα πάνελ σε περίπτωση που για παράγειγμα μεταβώ σε πχ αντλία θερμότητας ή ηλεκτρικό αυτοκίνητο. Στον ινβερτερ και τι μπαταρία τι ακριβώς να ελεγχθει, εννοείς το λογισμικό? Πριν την σύνδεση με το ρολοι του ΔΕΔΔΗΕ σε δοκιμαστική λειτουργία όλα έβαιναν καλώς . Απλά φοβάμαι κατά την επιλογή των φάσεων και την σύνδεσή τους στο ρολόι του ΔΕΔΔΗΕ έχουν καταλάθος συνδεθεί λάθος. θα πω στον εγκαταστάτη να έρθει να τα τσεκάρει και ίδωμεν... Ευχαριστώ και πάλι γιατί πάνε όλοι να με βγάλουν τρελό και ότι όλα είναι συνδεδεμένα όπως πρέπει (δεν είμαι ειδικός απλά έβαλα το μυαλό μου να λειτουργήσει και τα facts είναι αδιάσειστα
 - 
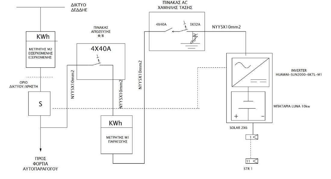
	Καλημέρα Χωρίς να έχω εξειδικευμένες γνώσεις απλα χρησιμοποιώντας απλή λογική καταλαβαίνω και εγώ ότι καποιος δεν έκανε σωστά κάτι. Γιατί αν είναι να δουλευει σαν ΦΒ net metering ας το έβαζα και χωρίς μπαταρία ( ασε που δεν θα έβαζα καθόλου μιας και με τις καταναλώσεις που έχω και χωρίς επιδότηση δεν θα έκανα απόσβεση ποτέ). Αν λειτουργήσει σωστά η εγκατάσταση η απόσβεση με τις παρούσες καταναλώσεις θα γίνει σε 6-7 χρόνια, έτσι όπως είναι πάμε για 14😒. Είμαι περίεργος και ανυπόμονος να ακούσω κάθε πιθανό ενδεχόμενο που έχεις στο μυαλό σου. Γιατί κάθε ιδέα που μου βάζει κάποιος με φέρνει πιο κοντά στην "αποκρυπτογράφηση" του προβλήματος και στην ενδεχόμενη επίλυση του. Σε κάθε περίπτωση, εκτιμώ την βοήθειά σου και τον χρόνο που μου διάθέτεις. Καλημέρα και ευχαριστώ για την βοήθειά σου. Είναι σημαντικό θέμα για αυτούς που έχουν φωτοβολταικά με μπαταρία γιατί όπως γράφω και παραπάνω, μια προβληματική λειτουργία όπως η δική μου "ακυρώνει" την ύπαρξη της μπαταρίας , αναγκάζει το σπίτι να αλληλοεπιδράει με το δίκτυο ακόμη και όταν δεν απαιτείται και τελικά αυτό που ενδιαφέρει τον τελικό χρήστη είναι ότι πληρώνει χωρίς λόγο τις ρυθμιζόμενες χρεώσεις για ενέργεια που ασκόπως αγοράζει από το δίκτυο την στιγμή που δεν την χρειάζεται αφού η παραγωγή ΦΒ μαζί με την μπαταρία θα τον κάλυπτε. Δυστυχώς δεν ξέρω και δεν μπορώ να βάλω χέρι στο κουτί του ΔΕΔΔΗΕ για να στείλω φωτός. Επισυνάπτω όμως τα datasheets του εξοπλισμού , το εγχειρίδιο χρήσης του inverter και το μονογραμμκό ηλεκτρολογικό σχέδιο που υπεβλήθη στον ΔΕΔΔΗΕ (για όποιον μπορεί να καταλάβει, εγώ πάντως εκτός από την γενική διάταξη δεν μπορώ). Datasheets of equipment.pdf SUN2000-5-6KTL-M1-UserManual.pdf
 - 
	Ευχαριστώ πολύ για την άμεση απάντηση. Γιατί ο εργολάβος του ΔΕΔΔΗΕ λέει ότι έχουν συνδεθεί όλα σωστά. Ο εγκαταστατης μηχανικός του έργου ότι γιατί πριν την τοποθετηση του ρολογιού του ΔΕΔΔΗΕ όλα κυλούσαν ρολόι κοκ Εγω πάλι καταλαβαίνω ότι δεν είναι σωστή λειτουργία.. Μια ερώτηση ακόμη αν γνωρίζεις. Γιατί η εφαρμογή τα βγάζει όπως αναμένεται να είναι. Εννοώ αν ήταν λάθος η ρυθμιση στον ινβερτερ δεν θα έδινε λάθος και στην εφαρμογή που διαβάζει το smart meter στην έξοδο του inverter?
 - 
	aule started following Πρόβλημα καταναλώσεων σε PV με μπαταρία
 - 
	Καλησπέρα, έχω εγκαταστήσει ένα Φ/Β στέγης ισχύος 4,84kW με μπαταρία 10kW και inverter της HUAWEI. Μέχρι την διασύνδεση με τον ΔΕΔΔΗΕ έκανα μια δοκιμαστική περίοδο λειτουργίας και διαπίστωσα ότι ο smart meter ο οποίος δουλεύει με την εφαρμογή FUSION SOLAR κατέγραφε επακριβώς την κατανάλωση του σπιτιού στο δίκτυο και ταυτιζόταν με ακρίβεια 99,9% με τις ενδείξεις του αναλογικού μετρητή. Επίσης τροφοδότησα και το σπίτι δοκιμαστικά και όλα λειτουργούσαν ρολόι. Δηλαδή όσο έπαιρνε το σπίτι ρεύμα από το ΦΒ το ρολόι της ΔΕΗ δεν γύριζε καθόλου. Μόλις όμως τοποθετήθηκε το νέο ψηφιακό ρολόι του ΔΕΔΔΗΕ, διαπίστωσα αυξημένη κατανάλωση Ας γίνω λίγο πιο συγκεκριμένος: Την περίοδο από 4/12/24 έως 14/1/24 το ρολόι του ΔΕΔΔΗΕ έγραψε ότι το σπίτι έλαβε από το δίκτυο 120 kW και το ΦΒ έδωσε στο δίκτυο 208 kW Αντίστοιχα η εφαρμογή FUSION SOLAR έγραψε ότι το σπίτι έλαβε από το δίκτυο 22 kW και το ΦΒ έδωσε στο δίκτυο 112 kW Το εν λόγω διαστημα στην Αθήνα υπήρχε σχεδόν καθημερινή ηλιοφάνεια με εξαίρεση τις ημέρες 25-26 Δεκεμβρίου και 12-13 Ιανουαρίου. Πείτε ψείρισμα πείτε ενθουσιασμός παρατηρούσα καθημερινά την εφαρμογή και την μπαταρία και διαπίστωνα ότι ποτέ στο ανωτέρω χρονικό διάστημα η μπαταρία δεν εξαντλήθηκε πλην της 26ς Δεκ και της 12ης-13ης Ιαν. Άρα η κατανάλωση 22kW της εφαρμογής είναι πιο λογική. Σημειωτέον, δεν χρησιμοποιώ ρευμα για θέρμανση , ούτε κουζίνα/ φούρνο ιδιαιτερα , ούτε έχω ηλεκτρικό αμάξι. Οι τυπικές καταναλώσεις είναι φωτισμός (όλα led), πλυντήρια ρούχων - πιάτων (Α+++) και ψυγείο. Προ φωτοβολταικών και εξαιρούμενης της καλοκαιρινής περιόδου λόγω Α/C, η μέση μηνιαία κατανάλωση του σπιτιού κυμαίνεται στις 210 kWh Ψάχνοντας και αναλύοντας λίγο πιο πολύ τα νούμερα διαπίστωσα ότι έχω ένα αλισβερίσι με το δίκτυο. Πχ παράγω 200 και τρώω 200? Αντί να τα πάρω όλα από το φβ , παίρνω μόνο τα 100, τα άλλα 100 τα δίνω στο δίκτυο και παράλληλα τραβάω 100 από το δίκτυο. Για του λόγου το αληθές βλέπω στο ρολόι του Δεδδηε ότι έχει 3 βελάκια που συμβολίζουν τις 3 φάσεις . Σε μένα 1 ή 2 βελάκια δείχνουν οτι δίνει το ΦΒ και το άλλο 1 ή 2 ότι παίρνει από το δίκτυο. Και αυτά εναλλάσσονται τυχαία Αυτό σημαίνει ότι δεν πληρώνω το ρεύμα σαν ενέργεια (μάλλον το πληρώνω προκαταβολικά και μου το επιστρεφουν σε επόμενο λογαριασμό μετά τον συμψηφισμό, σε άλλη τιμή βέβαια)αλλά πληρώνω τις ρυθμίζομενες χρεώσεις. Και συνεπώς σχεδόν διπλασιάζεται ο χρόνος απόσβεσης της εγκατάστασης. Με βάση την λογική της αυτοπαραγωγής και την υπογραφείσα σύμβαση θα έπρεπε α) το σπίτι να καταναλώνει με την εξής σειρά : από ΦΒ - από μπαταρία και τέλος από δίκτυο β) το ΦΒ να δίνει την παραγωγή με την εξής σειρά : στο σπίτι απευθείας - στην μπαταρία και τέλος την περίσσεια στο δίκτυο γ) Η διάταξη δεν επιτρέπει καμμία εναλλαγή ενέργειας (φόρτιση / αποφόρτιση) της μπαταρίας με το δίκτυο. Θα ήθελα να ρωτήσω εάν και κάποιος άλλος έχει αντιμετωπίσει παρόμοιο πρόβλημα ή αν κάποιος γνωρίζει τεχνικά τι μπορεί να συμβαίνει? Ευχαριστώ εκ των προτέρων για οποιαδήποτε βοήθεια
 
