aule Δημοσιεύτηκε January 16, 2025 at 08:43 μμ Δημοσιεύτηκε January 16, 2025 at 08:43 μμ (edited) Καλησπέρα, έχω εγκαταστήσει ένα Φ/Β στέγης ισχύος 4,84kW με μπαταρία 10kW και inverter της HUAWEI. Μέχρι την διασύνδεση με τον ΔΕΔΔΗΕ έκανα μια δοκιμαστική περίοδο λειτουργίας και διαπίστωσα ότι ο smart meter ο οποίος δουλεύει με την εφαρμογή FUSION SOLAR κατέγραφε επακριβώς την κατανάλωση του σπιτιού στο δίκτυο και ταυτιζόταν με ακρίβεια 99,9% με τις ενδείξεις του αναλογικού μετρητή. Επίσης τροφοδότησα και το σπίτι δοκιμαστικά και όλα λειτουργούσαν ρολόι. Δηλαδή όσο έπαιρνε το σπίτι ρεύμα από το ΦΒ το ρολόι της ΔΕΗ δεν γύριζε καθόλου. Μόλις όμως τοποθετήθηκε το νέο ψηφιακό ρολόι του ΔΕΔΔΗΕ, διαπίστωσα αυξημένη κατανάλωση Ας γίνω λίγο πιο συγκεκριμένος: Την περίοδο από 4/12/24 έως 14/1/24 το ρολόι του ΔΕΔΔΗΕ έγραψε ότι το σπίτι έλαβε από το δίκτυο 120 kW και το ΦΒ έδωσε στο δίκτυο 208 kW Αντίστοιχα η εφαρμογή FUSION SOLAR έγραψε ότι το σπίτι έλαβε από το δίκτυο 22 kW και το ΦΒ έδωσε στο δίκτυο 112 kW Το εν λόγω διαστημα στην Αθήνα υπήρχε σχεδόν καθημερινή ηλιοφάνεια με εξαίρεση τις ημέρες 25-26 Δεκεμβρίου και 12-13 Ιανουαρίου. Πείτε ψείρισμα πείτε ενθουσιασμός παρατηρούσα καθημερινά την εφαρμογή και την μπαταρία και διαπίστωνα ότι ποτέ στο ανωτέρω χρονικό διάστημα η μπαταρία δεν εξαντλήθηκε πλην της 26ς Δεκ και της 12ης-13ης Ιαν. Άρα η κατανάλωση 22kW της εφαρμογής είναι πιο λογική. Σημειωτέον, δεν χρησιμοποιώ ρευμα για θέρμανση , ούτε κουζίνα/ φούρνο ιδιαιτερα , ούτε έχω ηλεκτρικό αμάξι. Οι τυπικές καταναλώσεις είναι φωτισμός (όλα led), πλυντήρια ρούχων - πιάτων (Α+++) και ψυγείο. Προ φωτοβολταικών και εξαιρούμενης της καλοκαιρινής περιόδου λόγω Α/C, η μέση μηνιαία κατανάλωση του σπιτιού κυμαίνεται στις 210 kWh Ψάχνοντας και αναλύοντας λίγο πιο πολύ τα νούμερα διαπίστωσα ότι έχω ένα αλισβερίσι με το δίκτυο. Πχ παράγω 200 και τρώω 200? Αντί να τα πάρω όλα από το φβ , παίρνω μόνο τα 100, τα άλλα 100 τα δίνω στο δίκτυο και παράλληλα τραβάω 100 από το δίκτυο. Για του λόγου το αληθές βλέπω στο ρολόι του Δεδδηε ότι έχει 3 βελάκια που συμβολίζουν τις 3 φάσεις . Σε μένα 1 ή 2 βελάκια δείχνουν οτι δίνει το ΦΒ και το άλλο 1 ή 2 ότι παίρνει από το δίκτυο. Και αυτά εναλλάσσονται τυχαία Αυτό σημαίνει ότι δεν πληρώνω το ρεύμα σαν ενέργεια (μάλλον το πληρώνω προκαταβολικά και μου το επιστρεφουν σε επόμενο λογαριασμό μετά τον συμψηφισμό, σε άλλη τιμή βέβαια)αλλά πληρώνω τις ρυθμίζομενες χρεώσεις. Και συνεπώς σχεδόν διπλασιάζεται ο χρόνος απόσβεσης της εγκατάστασης. Με βάση την λογική της αυτοπαραγωγής και την υπογραφείσα σύμβαση θα έπρεπε α) το σπίτι να καταναλώνει με την εξής σειρά : από ΦΒ - από μπαταρία και τέλος από δίκτυο β) το ΦΒ να δίνει την παραγωγή με την εξής σειρά : στο σπίτι απευθείας - στην μπαταρία και τέλος την περίσσεια στο δίκτυο γ) Η διάταξη δεν επιτρέπει καμμία εναλλαγή ενέργειας (φόρτιση / αποφόρτιση) της μπαταρίας με το δίκτυο. Θα ήθελα να ρωτήσω εάν και κάποιος άλλος έχει αντιμετωπίσει παρόμοιο πρόβλημα ή αν κάποιος γνωρίζει τεχνικά τι μπορεί να συμβαίνει? Ευχαριστώ εκ των προτέρων για οποιαδήποτε βοήθεια Edited January 17, 2025 at 10:31 πμ by miltos 1
astrah Δημοσιεύτηκε January 16, 2025 at 09:13 μμ Δημοσιεύτηκε January 16, 2025 at 09:13 μμ Θα πρέπει να γίνει έλεγχος από μηχανικό που καταλαβαίνει πως πρέπει να λειτουργεί το σύστημα. Πιθανώς να έχει γίνει λάθος στην σειρά των φάσεων ή λανθασμένη ρύθμιση στον ινβέρτερ ή ... 1
aule Δημοσιεύτηκε January 16, 2025 at 09:45 μμ Συγγραφέας Δημοσιεύτηκε January 16, 2025 at 09:45 μμ (edited) Ευχαριστώ πολύ για την άμεση απάντηση. Γιατί ο εργολάβος του ΔΕΔΔΗΕ λέει ότι έχουν συνδεθεί όλα σωστά. Ο εγκαταστατης μηχανικός του έργου ότι γιατί πριν την τοποθετηση του ρολογιού του ΔΕΔΔΗΕ όλα κυλούσαν ρολόι κοκ Εγω πάλι καταλαβαίνω ότι δεν είναι σωστή λειτουργία.. Μια ερώτηση ακόμη αν γνωρίζεις. Γιατί η εφαρμογή τα βγάζει όπως αναμένεται να είναι. Εννοώ αν ήταν λάθος η ρυθμιση στον ινβερτερ δεν θα έδινε λάθος και στην εφαρμογή που διαβάζει το smart meter στην έξοδο του inverter? Edited January 19, 2025 at 04:31 μμ by miltos Διαγραφή παράθεσης προηγούμενου μηνύματος
astrah Δημοσιεύτηκε January 16, 2025 at 10:44 μμ Δημοσιεύτηκε January 16, 2025 at 10:44 μμ Μάντης δεν είμαι... αλλά αν το περιγράφεις σωστά... κάποιος δεν έχει κάνει κάτι σωστά! Σου έγραψα 2 πιθανά ενδεχόμενα. Μπορώ να υποθέσω και αλλά, αλλά δεν έχει νόημα. Πρέπει κάποιος να ελέγξει την εγκατάσταση με σοβαρότητα...
Τρελός Επιστήμων Δημοσιεύτηκε January 17, 2025 at 04:45 πμ Δημοσιεύτηκε January 17, 2025 at 04:45 πμ Καταρχάς μπράβο για το "ψείρισμά" σου, είναι πολύ ενδιαφέρον το θέμα που άνοιξες. Εγώ δε γνωρίζω τι μπορεί να φταίει, ούτε είμαι ειδικός, αλλά από περιέργεια, μπορείς να στείλεις τη συνδεσμολογία του μετρητή, δηλαδή πώς συνδέεονται τα καλώδια μέσα στον μετρητή; Κάποια φωτογραφία ίσως αν φαίνονται, ή αν ξέρει κάποιος συνάδελφος... Οι φάσεις από τον ινβέρτερ, συνδέονται μέσα στο μετρητή παράλληλα με τις αντίστοιχες φάσεις από τον ΔΕΔΔΗΕ και τις αντίστοιχες φάσεις του σπιτιού και ο μετρητής παρεμβάλλεται μεταξύ του δικτύου διανομής και του συμείου σύνδεσης των αγωγών; Επίσης, μπορείς να ανεβάσεις το manual του inverter;
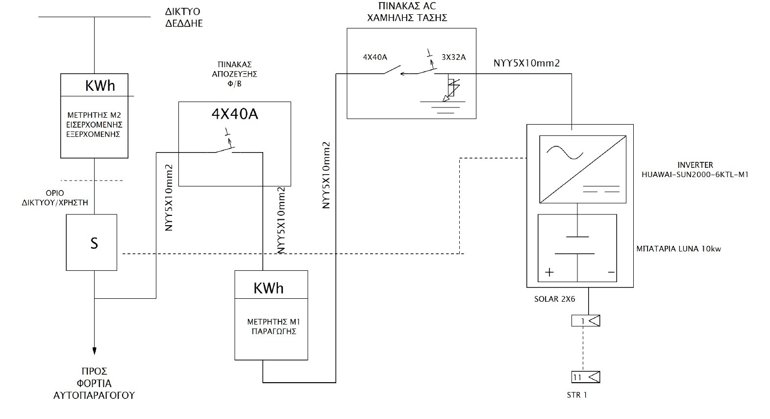
aule Δημοσιεύτηκε January 17, 2025 at 05:33 πμ Συγγραφέας Δημοσιεύτηκε January 17, 2025 at 05:33 πμ 6 ώρες πριν, astrah said: Μάντης δεν είμαι... αλλά αν το περιγράφεις σωστά... κάποιος δεν έχει κάνει κάτι σωστά! Σου έγραψα 2 πιθανά ενδεχόμενα. Μπορώ να υποθέσω και αλλά, αλλά δεν έχει νόημα. Πρέπει κάποιος να ελέγξει την εγκατάσταση με σοβαρότητα... Καλημέρα Χωρίς να έχω εξειδικευμένες γνώσεις απλα χρησιμοποιώντας απλή λογική καταλαβαίνω και εγώ ότι καποιος δεν έκανε σωστά κάτι. Γιατί αν είναι να δουλευει σαν ΦΒ net metering ας το έβαζα και χωρίς μπαταρία ( ασε που δεν θα έβαζα καθόλου μιας και με τις καταναλώσεις που έχω και χωρίς επιδότηση δεν θα έκανα απόσβεση ποτέ). Αν λειτουργήσει σωστά η εγκατάσταση η απόσβεση με τις παρούσες καταναλώσεις θα γίνει σε 6-7 χρόνια, έτσι όπως είναι πάμε για 14😒. Είμαι περίεργος και ανυπόμονος να ακούσω κάθε πιθανό ενδεχόμενο που έχεις στο μυαλό σου. Γιατί κάθε ιδέα που μου βάζει κάποιος με φέρνει πιο κοντά στην "αποκρυπτογράφηση" του προβλήματος και στην ενδεχόμενη επίλυση του. Σε κάθε περίπτωση, εκτιμώ την βοήθειά σου και τον χρόνο που μου διάθέτεις. 27 λεπτά πριν, Τρελός Επιστήμων said: Καταρχάς μπράβο για το "ψείρισμά" σου, είναι πολύ ενδιαφέρον το θέμα που άνοιξες. Εγώ δε γνωρίζω τι μπορεί να φταίει, ούτε είμαι ειδικός, αλλά από περιέργεια, μπορείς να στείλεις τη συνδεσμολογία του μετρητή, δηλαδή πώς συνδέεονται τα καλώδια μέσα στον μετρητή; Κάποια φωτογραφία ίσως αν φαίνονται, ή αν ξέρει κάποιος συνάδελφος... Οι φάσεις από τον ινβέρτερ, συνδέονται μέσα στο μετρητή παράλληλα με τις αντίστοιχες φάσεις από τον ΔΕΔΔΗΕ και τις αντίστοιχες φάσεις του σπιτιού και ο μετρητής παρεμβάλλεται μεταξύ του δικτύου διανομής και του συμείου σύνδεσης των αγωγών; Επίσης, μπορείς να ανεβάσεις το manual του inverter; Καλημέρα και ευχαριστώ για την βοήθειά σου. Είναι σημαντικό θέμα για αυτούς που έχουν φωτοβολταικά με μπαταρία γιατί όπως γράφω και παραπάνω, μια προβληματική λειτουργία όπως η δική μου "ακυρώνει" την ύπαρξη της μπαταρίας , αναγκάζει το σπίτι να αλληλοεπιδράει με το δίκτυο ακόμη και όταν δεν απαιτείται και τελικά αυτό που ενδιαφέρει τον τελικό χρήστη είναι ότι πληρώνει χωρίς λόγο τις ρυθμιζόμενες χρεώσεις για ενέργεια που ασκόπως αγοράζει από το δίκτυο την στιγμή που δεν την χρειάζεται αφού η παραγωγή ΦΒ μαζί με την μπαταρία θα τον κάλυπτε. Δυστυχώς δεν ξέρω και δεν μπορώ να βάλω χέρι στο κουτί του ΔΕΔΔΗΕ για να στείλω φωτός. Επισυνάπτω όμως τα datasheets του εξοπλισμού , το εγχειρίδιο χρήσης του inverter και το μονογραμμκό ηλεκτρολογικό σχέδιο που υπεβλήθη στον ΔΕΔΔΗΕ (για όποιον μπορεί να καταλάβει, εγώ πάντως εκτός από την γενική διάταξη δεν μπορώ). Datasheets of equipment.pdf SUN2000-5-6KTL-M1-UserManual.pdf
astrah Δημοσιεύτηκε January 17, 2025 at 07:40 πμ Δημοσιεύτηκε January 17, 2025 at 07:40 πμ Επιγραμματικά.... Από το μονογραμμικό - αν όντως έχει υλοποιηθεί έτσι η εγκατάσταση - έχουμε: Ινβέρτερ υπερδιαστασιολογημένο - μεγαλύτερο κόστος - μικρότερο συντελεστή απόδοσης Καλώδια - ασφάλειες AC υπερδιαστασιολογημένα - μεγαλύτερο κόστος - μη προστασία ινβέρτερ σε βραχυκύκλωμα Για το πρόβλημά σου... Λανθασμένη αλληλουχία φάσεων (πιο πιθανό) - πρέπει να είναι L1-καφέ, L2-μαύρο, L3-γκρι στον ινβέρτερ, στο μετρητή 1, στον πίνακα απόζευξης, στο κιβώτιο διακλάδωσης, στον μετρητή 2 Λανθασμένη ρύθμιση στον ινβέρτερ Λανθασμένη φορά στους μετρητές της HUAWEI Αυτά για αρχή... αν δεν λυθεί... τότε πρέπει να ελεγχθεί ο ινβέρτερ και η μπαταρία 1
aule Δημοσιεύτηκε January 17, 2025 at 07:57 πμ Συγγραφέας Δημοσιεύτηκε January 17, 2025 at 07:57 πμ Ευχαριστώ πολύ για τις αναλυτικές πληροφορίες οδηγίες. Για την υπερδιαστασιολόγηση του ινβερτερ απλά να δικαιολογηθώ ότι τον έβαλα για τυχόν επαυξηση μελλοντική στα πάνελ σε περίπτωση που για παράγειγμα μεταβώ σε πχ αντλία θερμότητας ή ηλεκτρικό αυτοκίνητο. 11 λεπτά πριν, astrah said: Αυτά για αρχή... αν δεν λυθεί... τότε πρέπει να ελεγχθεί ο ινβέρτερ και η μπαταρία Στον ινβερτερ και τι μπαταρία τι ακριβώς να ελεγχθει, εννοείς το λογισμικό? Πριν την σύνδεση με το ρολοι του ΔΕΔΔΗΕ σε δοκιμαστική λειτουργία όλα έβαιναν καλώς . Απλά φοβάμαι κατά την επιλογή των φάσεων και την σύνδεσή τους στο ρολόι του ΔΕΔΔΗΕ έχουν καταλάθος συνδεθεί λάθος. θα πω στον εγκαταστάτη να έρθει να τα τσεκάρει και ίδωμεν... Ευχαριστώ και πάλι γιατί πάνε όλοι να με βγάλουν τρελό και ότι όλα είναι συνδεδεμένα όπως πρέπει (δεν είμαι ειδικός απλά έβαλα το μυαλό μου να λειτουργήσει και τα facts είναι αδιάσειστα
Τρελός Επιστήμων Δημοσιεύτηκε January 17, 2025 at 12:21 μμ Δημοσιεύτηκε January 17, 2025 at 12:21 μμ (edited) 21 hours ago, aule said: το ρολόι του ΔΕΔΔΗΕ έγραψε ότι το σπίτι έλαβε από το δίκτυο 120 kW και το ΦΒ έδωσε στο δίκτυο 208 kW Αντίστοιχα η εφαρμογή FUSION SOLAR έγραψε ότι το σπίτι έλαβε από το δίκτυο 22 kW και το ΦΒ έδωσε στο δίκτυο 112 kW Αυτό νομίζω είναι το σημείο που πρέπει να εστιάσουμε στο προβλημά σου. Η εφαρμογή FUSION SOLAR, είναι του ινβέρτερ ή του δικού σου μετρητή; Πού έχει τα μετρητικά όργανα που μετράνε ρεύματα και τάσεις για να υπολογίζει την ισχύ που υπολογίζει, δηλαδή σε ποιο σημείο του κυκλώματος; Θέλω να πω, είναι σίγουρο ότι η εφαρμογή αυτή μετράει την πραγματική ισχύ που ανταλάσσεται με το δίκτυο και όχι ο μετρητής του ΔΕΔΔΗΕ; Γιατί εσύ σε αυτό βασίστηκες για να θεωρήσεις πως υπάρχει πρόβλημα, κάνω λάθος; Edited January 17, 2025 at 06:09 μμ by Τρελός Επιστήμων
aule Δημοσιεύτηκε January 17, 2025 at 06:18 μμ Συγγραφέας Δημοσιεύτηκε January 17, 2025 at 06:18 μμ (edited) 8 ώρες πριν, Τρελός Επιστήμων said: εσύ σε αυτό βασίστηκες για να θεωρήσεις πως υπάρχει πρόβλημα, κάνω λάθος; Βασικά το fusion solar είναι η επίσημη εφαρμογή της huawei η οποία συνεργάζεται με τον inverter και το smart meter. Ίσως δεν το διατύπωσα σωστά στο αρχικό μου post όμως δεν βασίστηκα στις μετρήσεις του fusion solar. Απλά θεωρώ πιο λογική κατανάλωση που δείχνει το fusion solar καθώς για το χρονικό διάστημα μεταξύ των μετρήσεων είχε τέτοια ηλιοφάνεια που το φωτοβολταϊκό μου κάλυπτε της ανάγκες του σπιτιού και κάθε μέρα η μπαταρία γέμιζε. Την ένδειξη γεμίσματος την έβλεπα τόσο μέσω του fusion solar όσο και απευθείας πάνω στην μπαταρία. Δηλαδή για 40 μέρες η μπαταρία δεν άδειασε ποτέ το βράδυ. Το πρωί ξαναγέμιζε μέχρι τις 12:00 με 1:00, άρα αυτό σημαίνει πως και οι ανάγκες του σπιτιού ειχαν υπερκαλυφθεί. Μία δεύτερη ένδειξη είναι ότι πριν τη σύνδεση του ρολογιου του δεδδηε σε δοκιμαστική περίοδο 4-5 μέρες χωρίς βέβαια να μπορώ εγώ να τροφοδοτήσω το δίκτυο από τα φωτοβολταϊκά και με παρόμοιες συνθήκες η κατανάλωση από το δίκτυο ήταν σχεδόν μηδενική. Edited January 17, 2025 at 09:14 μμ by aule
Recommended Posts
Δημιουργήστε ένα λογαριασμό ή συνδεθείτε προκειμένου να αφήσετε κάποιο σχόλιο
Πρέπει να είστε μέλος για να μπορέσετε να αφήσετε κάποιο σχόλιο
Δημιουργία λογαριασμού
Κάντε μια δωρεάν εγγραφή στην κοινότητά μας. Είναι εύκολο!
Εγγραφή νέου λογαριασμούΣύνδεση
Εάν έχετε ήδη λογαριασμό; Συνδεθείτε εδώ.
Συνδεθείτε τώρα