Μετάβαση στο περιεχόμενο
Newsletter: Εγγραφείτε στην ημερήσια τεχνική ενημέρωση από το Michanikos.gr ×

g_dinos

Members
  • Περιεχόμενα

    3
  • Εντάχθηκε

  • Τελευταία επίσκεψη

Profile Information

  • Επάγγελμα
    Φοιτητής
  • Ειδικότητα
    Επαγγελματίας Τεχνικού Κλάδου

Τελευταίοι επισκέπτες προφίλ

597 profile views
  • katrmp

g_dinos's Achievements

Newbie

Newbie (1/15)

1

Φήμη στην κοινότητα

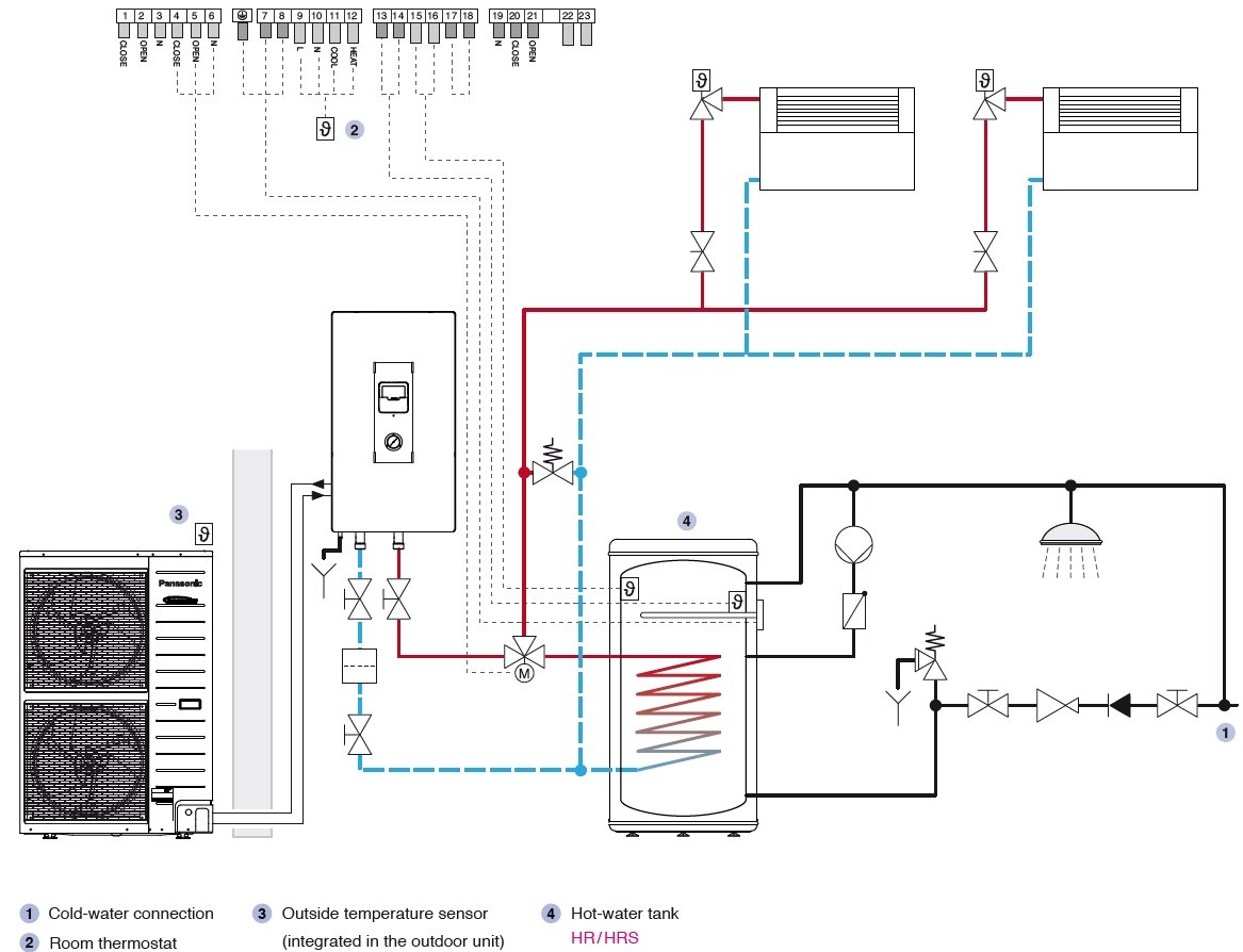
  1. Ο αυτοματισμός και η δεύτερη ηλεκτροβάνα δεν μπορούν να είναι ξεχωριστά πράγματα από την Α.Θ. . Θα πρέπει να έχει δυνατότητα ο αυτοματισμός της αντλίας θερμότητας να δεχθεί και δεύτερη ή και περισσότερες ηλεκτροβάνες. Ο λόγος είναι ότι για να ζεσταθούν τα μπόιλερ απαιτείται αλλαγή της λειτουργίας της Α.Θ. δηλαδή της θερμοκρασίας εξόδου του νερού της Α.Θ. π.χ. στους 60 βαθμούς. Άρα κάνουμε ότι μας επιτρέπει η Α.Θ. Τίποτα παραπάνω . Συμβουλευόμαστε τα εγχειρίδια εγκατάστασης της Α.Θ. για όλα τα πιθανά σενάρια εγκατάστασης.
  2. Όταν λέμε ”το επιτρέπει” εννοούμε ότι έχει ενσωματωμένο τον αυτοματισμό στην κεντρική μονάδα της Α.Θ. και χρειάζεται εφαρμογή του αυτοματισμού, όπως αναφέρεται στο ανωτέρω σχεδιάγραμμα ή πιο σωστά όπως στο σχεδιάγραμμα που έχει η συγκεκριμένη Α.Θ. στο εγχειρίδιο εφαρμογής (Installation Manual)
  3. Αν και εφόσον το επιτρέπει η Αντλία Θερμότητας (οι περισσότερες το επιτρέπουν) τότε μπορείς να συνδέσεις ότι μπόιλερ θέλεις μαζί με την ΑΘ. Η λογική είναι ότι με τον έλεγχο μιας τρίοδη βάνας, από την αντλία θερμότητας, όταν απαιτείται να ζεσταθεί το μπόιλερ η τρίοδη βάνα κλείνει τη ροή του νερού από τα σώματα του σπιτιού και ζεσταίνει το μπόιλερ σε θερμοκρασίες που ορίστηκαν π.χ. 60 βαθμούς. Όταν πιαστεί η επιθυμητή θερμοκρασία του μπόιλερ τότε η τρίοδη βάνα γυρνά το νερό στα σώματα και ζεσταίνει το σπίτι με θερμοκρασίες που ορίστηκαν π.χ. 40 βαθμούς. Σου παραθέτω σχεδιάγραμμα από μια Panasonic Αντλία Θερμότητας. Ψάξε να βρεις το αντίστοιχο για τη δικιά σου ΑΘ. Αν δεν καταλαβαίνεις το σχεδιάγραμμα, δυστυχώς δεν μπορώ να σε βοηθήσω περισσότερο. Δείξε σε κάποιον ειδικό.
×
×
  • Create New...

Σημαντικό

Χρησιμοποιούμε cookies για να βελτιώνουμε το περιεχόμενο του website μας. Μπορείτε να τροποποιήσετε τις ρυθμίσεις των cookie, ή να δώσετε τη συγκατάθεσή σας για την χρήση τους.